AH5B57CU200 华睿2500万1.1英寸USB3.0彩色小面阵相机 GMAX0505
AH5B57CU200 华睿2500万1.1英寸USB3.0彩色小面阵相机 GMAX0505 CMOS 全局快门14.7fps 分辨率5120×5120 位深12 像元2.5μm×2.5μm 信噪比35dB 动态范围64dB 软件触发/硬件触发/自由运行 6芯Hirose接口:1路光耦隔离输入,1路光耦隔离输出,1路不带光耦隔离可配置输入输出 镜头C接口 USB接口供电/通过Hirose接口直流供电,电压范围9V~24V AH5B57CU200
AH5B57CU200
华睿科技AH系列2500万像素1.1英寸GMAX0505 CMOS全局快门14.7fps 彩色USB3.0接口小面阵相机




AH5B57CU200 华睿科技AH系列2500万像素1.1英寸GMAX0505 CMOS全局快门14.7fps 彩色USB3.0接口小面阵相机 功能特性
USB3.0接口,5Gbps理论传输带宽,USB接口供电;
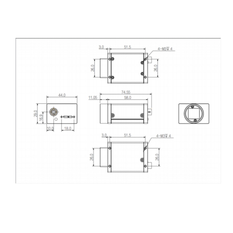
结构紧凑,尺寸为29mmx44mmx58mm;
256MB 板上缓存用于突发模式下数据传输或图像重传;
支持软件触发/硬件触发/自由运行等多种模式;
支持伽马校正,查找表,黑电平校正,亮度,对比度,FFC,降噪、锐化,白平衡,CCM,图像六轴校正功能,多色温调节,多功能插值调节等ISP 功能;
支持多种图像数据格式输出,ROI,Binning(包括任意binning缩放)镜像,AutoFunction,Sequencer 轮询功能(曝光、增益)等;
兼容USB3 Vision 协议和GenICam标准;
符合CE/UKCA/UL/KC,RoHS认证;
AH5B57CU200 华睿科技AH系列2500万像素1.1英寸GMAX0505 CMOS全局快门14.7fps 彩色USB3.0接口小面阵相机 结构尺寸图(mm):

AH5B57CU200 华睿科技AH系列2500万像素1.1英寸GMAX0505 CMOS全局快门14.7fps 彩色USB3.0接口小面阵相机 技术参数:
型号 AH5B57CU200
基本参数
传感器 GMAX0505
传感器类型 1.1英寸CMOS
快门类型 Global
分辨率 5120×5120
帧率 14.7fps @5120×5120 Bayer GB 8
位深 12
黑白/彩色 彩色
像元 2.5μm×2.5μm
图像参数
像素 25MP
信噪比 35dB
动态范围 64dB
图像格式 Mono 8/10/12, Bayer GB
8/10/10Packed/12/12Packed,YUV422_8_UYVY,YUV422_8,RGB8,BGR8
Binning off/onebytwo/twobyone/twobytwo/onebyfour/fourbyone/twobyfour/fourbytwo/f
ourbyfour/ThreebyThree
ROI 支持
X翻转 支持
Y翻转 支持
增益 1~32X
伽马 范围0~3.99998,支持LUT
快门曝光 5μs ~ 10 sec
图像采集模式 软件触发/硬件触发/自由运行
SPC 支持
性能参数
配置通道 支持3组用户自定义配置保存
缓存 256MB
接口参数
接口 USB 3.0
GPIO接口 6芯Hirose接口:1路光耦隔离输入,1路光耦隔离输出,1路不带光耦隔离可配置输入输出
镜头接口 C-mount
电源参数
供电方式 USB接口供电/通过Hirose接口直流供电,电压范围9V~24V
功耗 ≈3.7W(USB3.0供电)
结构参数
产品尺寸 29 mm×44 mm×58 mm(不含镜头座和后壳接口)
净重 约 140 g
环境参数
储存温度 -30℃~+80℃
工作温度 -30℃~+50℃
AH5B57CU200 华睿科技AH系列2500万像素1.1英寸GMAX0505 CMOS全局快门14.7fps 彩色USB3.0接口小面阵相机 接口定义:

AH5B57CU200 华睿科技AH系列2500万像素1.1英寸GMAX0505 CMOS全局快门14.7fps 彩色USB3.0接口小面阵相机 光谱曲线图:

AH5B57CU200 华睿2500万1.1英寸USB3.0彩色小面阵相机 GMAX0505 CMOS 全局快门14.7fps 分辨率5120×5120 位深12 像元2.5μm×2.5μm 信噪比35dB 动态范围64dB 软件触发/硬件触发/自由运行 6芯Hirose接口:1路光耦隔离输入,1路光耦隔离输出,1路不带光耦隔离可配置输入输出 镜头C接口 USB接口供电/通过Hirose接口直流供电,电压范围9V~24V AH5B57CU200