MV-CL044-91NC 海康4096像素像元7um 2.5GigE彩色线阵相机 PoE供电
MV-CL044-91NC 海康4096像素像元7μm 2.5GigE彩色线阵相机 采用4096×3线彩色CMOS Sensor,像元尺寸7μm×7μm 集成多种ISP图像算法与功能,支持行触发、帧触发以及行+帧触发等多种外触发模式 采用2.5GigE数据接口,基础行频zui高75.3kHz,瞬时峰值可达100kHz 支持双向I/O接线 动态范围61.3dB 信噪比40.3dB 曝光时间1μs~10ms 供电12~24VDC,支持PoE供电 功耗7.2W 镜头接口M42*1.0,法兰后焦12mm;可通过转接环转接至F口、C口及其他螺纹口镜头 IP40防护 MV-CL044-91NC
MV-CL044-91NC
海康机器人4096像素CMOS,分辨率4096×3,像元尺寸7μm×7μm,2.5GigE工业彩色线阵相机


MV-CL044-91NC工业线阵相机,采用4096×3线彩色CMOS Sensor,集成多种ISP图像算法与功能,支持行触发、帧触发以及行+帧触发等多种外触发模式。采用2.5GigE的以太网传输接口,进一步提升数据带宽和采集行频。
MV-CL044-91NC 海康机器人4096像素CMOS,分辨率4096×3,像元尺寸7μm×7μm,2.5GigE工业彩色线阵相机 功能特性:
采用2.5GigE数据接口,基础行频zui高75.3kHz,瞬时峰值可达100kHz
RGB真彩色成像,色彩还原度更佳
丰富的 ISP处理技术,支持手动调节Gamma校正、平场校正、LUT、黑电平调节等
支持双向I/O接线,输入/输出可灵活配置
紧凑的结构设计,多面安装孔灵活安装
兼容 GigE Vision V2.0 协议及 GenICam 标准
应用行业
新能源、3C、卫材、纺织、铁路、材料分拣等。
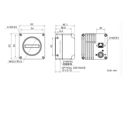
MV-CL044-91NC 海康机器人4096像素CMOS,分辨率4096×3,像元尺寸7μm×7μm,2.5GigE工业彩色线阵相机 外形尺寸:

订货型号
MV-CL044-91NC
MV-CL044-91NC 海康机器人4096像素CMOS,分辨率4096×3,像元尺寸7μm×7μm,2.5GigE工业彩色线阵相机 Sensor 响应曲线:

MV-CL044-91NC 海康机器人4096像素CMOS,分辨率4096×3,像元尺寸7μm×7μm,2.5GigE工业彩色线阵相机 技术参数:
型号
参数
MV-CL044-91NC
4096 像素 CMOS 2.5GigE 工业线阵相机
性能
传感器类型 CMOS
像元尺寸 7μm×7μm
分辨率 4096×3
成像模式 支持 1-Line
zui大行频 全分辨率:75.3kHz@Mono 8/Bayer RG 8、25.1kHz@RGB 8/BGR 8、37.7kHz@Bayer
RG 10
ROI提行频后:zui大可达100KHz(3080 分辨率及以下)
动态范围 61.3dB
信噪比 40.3dB
增益 1.0x、2.0x、3.0x、4.0x
曝光时间 1μs~10ms
快门模式 支持自动曝光、手动曝光、一键曝光、脉冲宽度控制曝光
黑白/彩色 彩色
像素格式
RGB8,BGR8
Bayer RG 8/10
Mono 8
Binning 支持 1 × 1,1 × 2,1 × 4,2 × 1,2 × 2,2 × 4,4 × 1,4 × 2,4 × 4
镜像 不支持
触发模式 外触发,内触发
外触发模式 行触发,帧触发,行+帧触发
电气特性
数据接口 2.5 Gigabit Ethernet(2500Mbit/s),兼容 Gigabit Ethernet(1000Mbit/s)和 Fast Ethernet
(100Mbit/s)
数字 I/O
12-pin P10 接头提供供电和 I/O:4 路双向可配置 IO(Line0/1/3/4),支持差分和单端 IO
信号
供电 12~24VDC,支持PoE供电
典型功耗 7.2W@12VDC
结构
镜头接口 M42*1.0,法兰后焦12mm;可通过转接环转接至F口、C口及其他螺纹口镜头
外形尺寸 62mm×62mm×46.1mm
重量 约 260g
IP 防护等级 IP40(正确安装镜头以及线缆的情况下)
温度 工作温度-20~55℃,储藏温度-30~80℃
湿度 20% ~ 80%RH 无冷凝
一般规范
软件 MVS 或第三方支持 GigE Vision 协议软件
操作系统 Windows 7/10/11 32/64bits,Linux 32/64bits
协议/标准 GigE Vision V2.0,GenICam
认证 CE,RoHS,KC
MV-CL044-91NC 海康4096像素像元7μm 2.5GigE彩色线阵相机 采用4096×3线彩色CMOS Sensor,像元尺寸7μm×7μm 集成多种ISP图像算法与功能,支持行触发、帧触发以及行+帧触发等多种外触发模式 采用2.5GigE数据接口,基础行频zui高75.3kHz,瞬时峰值可达100kHz 支持双向I/O接线 动态范围61.3dB 信噪比40.3dB 曝光时间1μs~10ms 供电12~24VDC,支持PoE供电 功耗7.2W 镜头接口M42*1.0,法兰后焦12mm;可通过转接环转接至F口、C口及其他螺纹口镜头 IP40防护 MV-CL044-91NC