V0828-MPY2 Computar 1.1 英寸2400万8mm工业镜头 F2.8-F16.0
V0828-MPY2 Computar 1.1 英寸2400万8mm工业镜头 光圈范围F2.8-F16.0 适用于1.1英寸2400万像素传感器的超高分辨率镜头 zui大画面尺寸可达 ?17.6mm(1.1 英寸传感器) 机器视觉市场中具备紧凑、轻便特点的镜头 浮动设计保证了从近至无穷远不同工作距离下一贯的高性能画面 耐振度zui高达5G 镜头C接口 V0828-MPY2

V0828-MPY2
日本Computar 1.1 英寸2400万像素8mm定焦光圈F2.8-F16.0 C接口工业镜头

V0828-MPY2 日本Computar 1.1 英寸2400万像素8mm定焦光圈F2.8-F16.0 C接口工业镜头 产品特点:
适用于1.1英寸2400万像素传感器的超高分辨率镜头
zui大画面尺寸可达 ?17.6mm(1.1 英寸传感器)
机器视觉市场中具备紧凑、轻便特点的镜头
浮动设计保证了从近至无穷远不同工作距离下一贯的高性能画面
耐振度zui高达5G
V0828-MPY2 日本Computar 1.1 英寸2400万像素8mm定焦光圈F2.8-F16.0 C接口工业镜头 详细技术参数:
焦距 8mm
zui大光圈比: 1:2.8;
zui大画面尺寸: 14.2mm × 10.4mm (φ17.6mm);
工作范围 光圈: F2.8-F16.0;
聚焦:0.2m-Inf.;
控制 光圈: 手动;
聚焦: 手动;
视角 对角: 1.1英寸 93.9° 1英寸 89.3° 2/3英寸 69.0°;
水平: 1.1英寸 83.0° 1英寸 77.3° 2/3英寸 57.3°;
垂直: 1.1英寸 66.0° 1英寸 61.7° 2/3英寸 44.2°;
工作温度: -10°C ~ +50°C
失真: 1.1″: -0.6%;1″:-1.7%;2/3″:-2.8%;
后焦距:8.6mm;
后法兰长度:17.526mm;
接口: C-接口;
滤片尺寸:M72 P=0.75mm (选配 VM0811)* ;
M67 P=0.75mm (选配 VM0810)* ;
外观尺寸:φ75mm × 54mm ;
重量:157g ;
* 镜头顶部无滤片支架。
使用滤片时,镜头需要搭配 VM0811 或 VM0810(单独购买)。

V0828-MPY2 日本Computar 1.1 英寸2400万像素8mm定焦光圈F2.8-F16.0 C接口工业镜头 产品系列:

V0828-MPY2 日本Computar 1.1 英寸2400万像素8mm定焦光圈F2.8-F16.0 C接口工业镜头 周边分辨率:

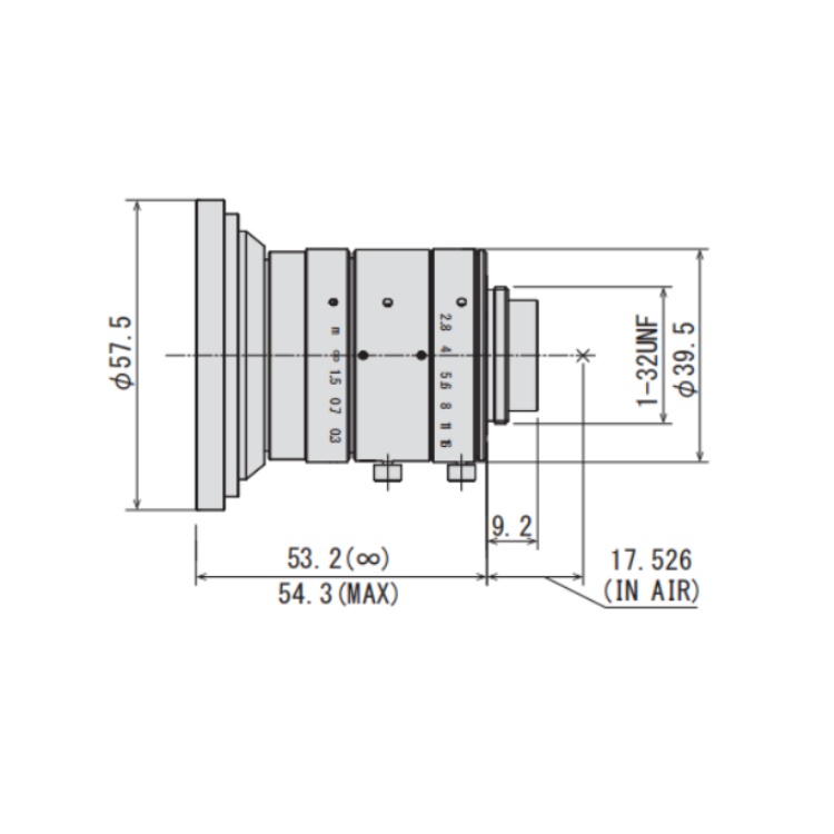
V0828-MPY2 日本Computar 1.1 英寸2400万像素8mm定焦光圈F2.8-F16.0 C接口工业镜头 尺寸图:

V0828-MPY2 Computar 1.1 英寸2400万8mm工业镜头 光圈范围F2.8-F16.0 适用于1.1英寸2400万像素传感器的超高分辨率镜头 zui大画面尺寸可达 ?17.6mm(1.1 英寸传感器) 机器视觉市场中具备紧凑、轻便特点的镜头 浮动设计保证了从近至无穷远不同工作距离下一贯的高性能画面 耐振度zui高达5G 镜头C接口 V0828-MPY2