iDS-TCD402-GR/200m/12 海康威视200米400万毫米波雷达雷视车检
iDS-TCD402-GR/200m/12 海康威视200米400万毫米波雷达雷视车检 1/1.8英寸CMOS 定焦12mm 支持输出车流量、状态、队列、时距、间距、区域停车数、空间占有率以及时间占有率等多项交通数据 支持8车道多目标机动车检测,纵向200米 支持车牌识别及目标全结构化 支持多目标的位置,车道,速度、方向等信息检测 支持交通评价数据输出,包括拥堵、排队长度等 每个车道支持2个虚拟线圈(zui大支持6个),输出车辆的进入和离开信号,虚拟线圈位置可以配置 支持网络与RS-485数据上传 iDS-TCD402-GR/200m/12
iDS-TCD402-GR/200m/12
海康威视200米400万1/1.8英寸CMOS定焦12mm高精度毫米波雷达雷视车检器

设备集成高精度毫米波雷达及低照度智能摄像机,从结构、场景、采集方式及数据信息等多方面深层次融合应用,支持输出车流量、状态、队列、时距、间距、区域停车数、空间占有率以及时间占有率等多项交通数据。可广泛应用于道路交通通行车辆信息采集。
iDS-TCD402-GR/200m/12 海康威视200米400万1/1.8英寸CMOS定焦12mm高精度毫米波雷达雷视车检器 产品特点:
适用于信号控制系统、交通信息服务系统、道路交通监测等应用场景。
高精度毫米波雷达和400万低照度摄像机。
zui大支持8车道多目标机动车检测,纵向200米。
支持全天候环境下工作,不受雨、雾、大风、灰尘、光照等影响。
内置深度学习算法,支持智能识别功能,支持车牌识别及目标全结构化。
支持多目标的位置,车道,速度、方向等信息检测。
支持分车道统计,车流量、速度、状态、队列、时距、间距、区域停车数、平均延误、空间占有率以及时间占有率数据,支持1-3600秒统计上传。
支持交通评价数据输出,包括拥堵、排队长度等。
每个车道支持2个虚拟线圈(zui大支持6个),输出车辆的进入和离开信号,虚拟线圈位置可以配置。
支持透雾、强光抑制、宽动态,并具有多种白平衡模式,适合各种场景需求。
支持网络与RS-485数据上传。
iDS-TCD402-GR/200m/12 海康威视200米400万1/1.8英寸CMOS定焦12mm高精度毫米波雷达雷视车检器 规格参数:
基础功能
传感器类型1/1.8英寸 CMOS
ICR类型红外
雷达
测速范围-300 km/h ~ 300 km/h
性能特点空间分辨率高、穿透能力强,支持全天候环境下工作,不受雨、雾、大风、灰尘、光照等影响
扫频带宽230 MHz@宽波束,115 MHz@窄波束
调制波形FMCW
水平角-60° ~ +60° @ 宽波束,-16.8° ~ +16.8° @ 窄波束
俯仰角-9° ~ +9°
作用距离40 m ~ 200 m
角分辨率4.15°
角精度 ± 0.4°
速度分辨率0.65 km/h
速度精度 ± 0.33 km/h
距离分辨率0.65 m @ 宽波束,1.3 m @ 窄波束
测距精度 ± 0.35 m @ 宽波束,± 0.65 m @ 窄波束
接口
串口1个RS-485接口
抓拍功能
图片格式JPEG
图片分辨率2688 × 1520
智能功能
智能识别卡口抓拍、车牌识别、车型识别、车身颜色识别、品牌、子品牌
外部接口
网络接口2 个RJ45 100M/1000M自适应以太网口
报警输出1个继电器开关
功能特性
zui小照度彩色3.759 m Lux @ (F1.6, AGC ON)
黑白0.045 m Lux @ (F1.6, AGC ON)
快门1/25秒至1/100,000秒
视频压缩标准H.264, H.265, MJPEG
压缩输出码率32 Kbps ~ 16 Mbps
视频分辨率2688 × 1520
帧率25 fps (2688 × 1520)
图像设置饱和度,亮度,对比度,白平衡,增益通过软件可调
存储功能TF
通用功能心跳,密码保护,NTP校时
一般规范
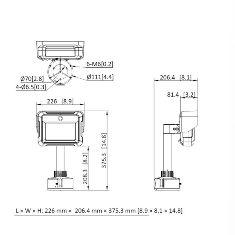
尺寸226 mm (W) × 375.3 mm (H) × 206.4 mm (D)
工作温度-30 °C ~ 70 °C
工作湿度5% ~ 95% @ 40 °C,无凝结
电源DC 36 V ± 10%
功耗10 W MAX
重量3 ± 0.5 kg
防护等级IP67
焦距12 mm
分辨率2688 × 1520
白平衡自动白平衡
宽动态支持
装箱清单雷视一体机 × 1,电源 × 1,防水软管接头 × 1,配件包 × 1(说明书 × 1,螺丝 × 4)
订货型号
iDS-TCD402-GR/200m/12
iDS-TCD402-GR/200m/12 海康威视200米400万1/1.8英寸CMOS定焦12mm高精度毫米波雷达雷视车检器 外形尺寸:

iDS-TCD402-GR/200m/12 海康威视200米400万1/1.8英寸CMOS定焦12mm高精度毫米波雷达雷视车检器 配件:
推荐购买
抓拍机横杆装-钢带抱箍60/300

iDS-TCD402-GR/200m/12 海康威视200米400万毫米波雷达雷视车检 1/1.8英寸CMOS 定焦12mm 支持输出车流量、状态、队列、时距、间距、区域停车数、空间占有率以及时间占有率等多项交通数据 支持8车道多目标机动车检测,纵向200米 支持车牌识别及目标全结构化 支持多目标的位置,车道,速度、方向等信息检测 支持交通评价数据输出,包括拥堵、排队长度等 每个车道支持2个虚拟线圈(zui大支持6个),输出车辆的进入和离开信号,虚拟线圈位置可以配置 支持网络与RS-485数据上传 iDS-TCD402-GR/200m/12