MV-CL084-91Y2M 海康8192像素CoaXPress口黑白线阵相机 行频200kHz
MV-CL084-91Y2M 海康8192像素CoaXPress口黑白线阵相机 采用8192×4线CMOS Sensor,支持CoaXPress口传输,行频可达200kHz,集成多种zui的新的ISP图像处理技术 像元尺寸7μm×7μm 传输模式1Link、2Link 动态范围63.4dB 信噪比40.8dB 增益1.0× 曝光时间3μs~10ms 支持水平镜像 外触发,内触发 供电 12~ 24VDC,CXP-0 和 CXP-1 接口支持 PoCXP 供电 功耗15.5W IP40防护等级 MV-CL084-91Y2M
MV-CL084-91Y2M
海康机器人8192像素,像元7μm×7μm,行频可达200kHz,CoaXPress口黑白工业线阵相机


MV-CL084-91Y2M工业线阵相机,采用8192×4线CMOS Sensor,支持CoaXPress口传输,行频可达200kHz,集成多种zui的新的ISP图像处理技术,兼具高速、高精度、高性能等特点。
MV-CL084-91Y2M 海康机器人8192像素,像元7μm×7μm,行频可达200kHz,CoaXPress口黑白工业线阵相机 功能特性:
相机自带分时频闪、 采集控制,支持多重曝光采集模式,采集方式多样灵活
丰富的 ISP 图像处理技术,如 Gamma 校正、平场校正、LUT、黑电平调节等
支持双向可配置 I/O 接线设计,输入/输出可灵活配置
结构设计紧凑,正面板和侧面板均有安装孔,可灵活安装
使用 CXP-10 接口传输数据
兼容 CoaXPress 协议和 GenlCam 标准
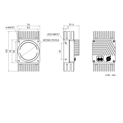
MV-CL084-91Y2M 海康机器人8192像素,像元7μm×7μm,行频可达200kHz,CoaXPress口黑白工业线阵相机 外形尺寸:

MV-CL084-91Y2M 海康机器人8192像素,像元7μm×7μm,行频可达200kHz,CoaXPress口黑白工业线阵相机 Sensor 响应曲线:

应用行业:
新能源、屏检、3C、PCB、半导体等。
订货型号:
MV-CL084-91Y2M
MV-CL084-91Y2M 海康机器人8192像素,像元7μm×7μm,行频可达200kHz,CoaXPress口黑白工业线阵相机 技术参数:
型号
参数
MV-CL084-91Y2M
8192 像素 CoaXPress 口黑白工业线阵相机
性能
传感器类型 CMOS
像元尺寸 7μm×7μm
分辨率 8192×4
成像模式 支持分时频闪模式:1/2/3/4 灯
支持 1-Line、2-、4-
zui大行频 1 灯模式:200 kHz(1-Line),100 kHz(2-),50 kHz(4-)
2 灯模式:52 kHz(1-Line),26 kHz(2-)
3 灯模式:34.6 kHz(1-Line)
4 灯模式:26 kHz(1-Line)
传输模式 1Link、2Link
动态范围 63.4dB
信噪比 40.8dB
增益 1.0×
曝光时间 3μs~10ms
快门模式 支持自动曝光、手动曝光、一键曝光、脉冲宽度控制曝光
黑白/彩色 黑白
像素格式 Mono 8/10/12
Binning 1 × 1,1 × 2,1 × 4,2 × 1,2 × 2,2 × 4,4 × 1,4 × 2,4 × 4
镜像 支持水平镜像
触发模式 外触发,内触发
外触发模式 行触发,帧触发,行+帧触发
电气特性
数据接口 CoaXPress-10(Micro-BNC 口)
数字 I/O 12-pin P10 接头提供供电和 I/O:4 路可配置输入输出(Line 0/1/3/4),支持单端/差分
供电 12~ 24VDC,CXP-0 和 CXP-1 接口支持 PoCXP 供电
典型功耗 15.5W@24VDC
结构
镜头接口 M72*0.75,法兰后焦 12mm;可通过转接环转接至 F 口镜头
外形尺寸 132mm×76mm×51.4mm
重量 约 520g
IP 防护等级 IP40(正确安装镜头以及线缆的情况下)
温度 工作温度-20 ~ 50℃,储藏温度-30 ~ 80℃
湿度 20% ~ 95%RH 无冷凝
一般规范
软件 MVS 或符合 CoaXPress 协议的采集卡控制软件
操作系统 Windows XP/7/10/11 32/64bits,Linux 32/64bits
协议/标准 CoaXPress,GenlCam
认证 CE,RoHS,KC
MV-CL084-91Y2M 海康8192像素CoaXPress口黑白线阵相机 采用8192×4线CMOS Sensor,支持CoaXPress口传输,行频可达200kHz,集成多种zui的新的ISP图像处理技术 像元尺寸7μm×7μm 传输模式1Link、2Link 动态范围63.4dB 信噪比40.8dB 增益1.0× 曝光时间3μs~10ms 支持水平镜像 外触发,内触发 供电 12~ 24VDC,CXP-0 和 CXP-1 接口支持 PoCXP 供电 功耗15.5W IP40防护等级 MV-CL084-91Y2M