MV-CL082-91F2M 海康机器人8K高清XoF双光口黑白线阵相机
MV-CL082-91F2M 海康8K 7μm XoF双光口黑白线阵相机 采用8192×2线CMOS Sensor,支持双路XoF光口传输,行频可达200 kHz,集成多种zui新的ISP 图像处理技术 支持2-,zui高行频可达200kHz 支持双向可配置I/O接线设计 分辨率8192×2 传输模式1Link、2Link 动态范围63.4dB 信噪比40.8dB 数据接口2LC光纤接口 供电12~ 24VDC 功耗14W@24 VDC 镜头接口M72*0.75,法兰后焦 12 mm;可通过转接环转接至 F 口镜头 MV-CL082-91F2M
MV-CL082-91F2M
海康机器人8192像素8K高清XoF双光口黑白工业线阵相机

MV-CL082-91F2M工业线阵相机,采用8192×2线CMOS Sensor,支持双路XoF光口传输,行频可达200 kHz,集成多种zui的新的ISP图像处理技术,兼具高速、高精度、高性能等特点。
MV-CL082-91F2M 海康机器人8192像素8K高清XoF双光口黑白工业线阵相机 功能特性:
丰富的ISP图像处理技术,如手动调节 Gamma 校正、平场校正、LUT、黑电平调节等
提供双路XoF光口的高带宽传输
多种灵活的曝光和采集方式,支持2-,zui高行频可达 200 kHz
支持双向可配置I/O接线设计,输入/输出可灵活配置
结构设计紧凑,正面板和侧面板均有安装孔,可灵活安装
MV-CL082-91F2M 海康机器人8192像素8K高清XoF双光口黑白工业线阵相机 Sensor 响应曲线:

应用行业:
新能源、屏检、3C、PCB、半导体等。
相关配件:
XoF 光口采集卡:MV-GS1002F(不含光模块)
XoF 光口采集卡光模块:MV-AC10G-SFP
XoF 光纤跳线:MV-AC10G-2LC-2LC-ST
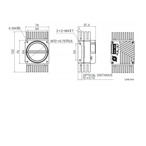
MV-CL082-91F2M 海康机器人8192像素8K高清XoF双光口黑白工业线阵相机 外形尺寸:

订货型号:
MV-CL082-91F2M
MV-CL082-91F2M 海康机器人8192像素8K高清XoF双光口黑白工业线阵相机 技术参数:
型号参数
MV-CL082-91F2M
8192 像素 XoF 光口黑白工业线阵相机
性能
传感器类型 CMOS
像元尺寸 7μm
分辨率 8192×2
成像模式 支持 1-Line、2-
zui大行频 200kHz
传输模式 1Link、2Link
动态范围 63.4dB
信噪比 40.8dB
增益 1.0×
曝光时间 3μs~10ms
快门模式 支持自动曝光、手动曝光、一键曝光、脉冲宽度控制曝光
黑白/彩色 黑白
像素格式 Mono 8/10/12
Binning 1 × 1,1 × 2,1 × 4,2 × 1,2 × 2,2 × 4,4 × 1,4 × 2,4 × 4
镜像 支持水平镜像
触发模式 外触发,内触发
外触发模式 行触发,帧触发,行+帧触发
电气特性
数据接口 2LC光纤接口
数字 I/O 12-pin P10 接头提供供电和 I/O:4 路可配置输入输出(Line 0/1/3/4),支持单端/差分
供电 12~ 24VDC
典型功耗 14W@24 VDC
结构
镜头接口 M72*0.75,法兰后焦 12 mm;可通过转接环转接至 F 口镜头
外形尺寸 132mm×76mm×57.4mm
重量 约 600g
IP防护等级 IP40(正确安装镜头以及线缆的情况下)
温度 工作温度-20 ~ 50℃,储藏温度-30 ~ 80℃
湿度 5% ~ 90%RH无冷凝
一般规范
软件 MVS
操作系统 Windows XP/7/10 32/64bits
协议/标准 XoFLink,GenlCam
认证 CE,RoHS,KC
MV-CL082-91F2M 海康8K 7μm XoF双光口黑白线阵相机 采用8192×2线CMOS Sensor,支持双路XoF光口传输,行频可达200kHz,集成多种zui新的ISP 图像处理技术 支持2-,zui高行频可达200kHz 支持双向可配置I/O接线设计 分辨率8192×2 传输模式1Link、2Link 动态范围63.4dB 信噪比40.8dB 数据接口2LC光纤接口 供电12~ 24VDC 功耗14W@24VDC 镜头接口M72*0.75,法兰后焦 12 mm;可通过转接环转接至F口镜头 MV-CL082-91F2M